- Leverantörens EcoVadis score Silver Silver
- Bedömningen gäller fr.o.m2025
- Tredje parts miljögodkännandeInget godkännande
- Tillgängliga reservdelar i årInformation saknas från leverantör
- Energimärkning
- Tillverkad iSverige
- Förväntad livslängd i årInformation saknas från leverantör
- Leverantörens beräkning av förväntad livslängd,läs mer här
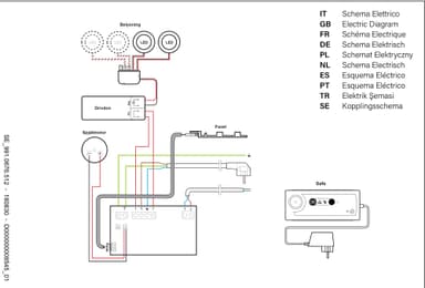
Produktsäkerhetsinformation
Här hittar du information om allmän produktsäkerhet och tillverkning














